基本信息
- 项目名称:
- 光催化水分解/氢燃料电池动力系统原型机
- 来源:
- 第十二届“挑战杯”作品
- 小类:
- 能源化工
- 大类:
- 科技发明制作B类
- 简介:
- 本作品欲将光催化制氢技术与燃料电池技术结合起来,设计、构思和集成出以水(海水)作原料以太阳光为驱动的发电装置,展现光催化技术实现太阳能到电能转化的优越性。
- 详细介绍:
- 本作品欲将光催化制氢技术与燃料电池技术结合起来,设计、构思和集成出以水(海水)作原料以太阳光为驱动的发电装置,展现光催化技术实现太阳能到电能转化的优越性。 构建的装置作为一个原理原型装置,可以展现出光催化技术在未来各个领域,如汽车工业、国防、民用领域极高的应用价值;作为新能源概念系统,显示出未来光催化技术和催化技术解决能源和环境问题发展前景。 现今发现有130多种半导体材料都具有光催化分解水产氢活性。其中,TiO2光催化剂研究得最多,但是它的禁带宽度为3.2ev,只能吸收紫外光,在可见光照射下没有光催化分解水活性。硫化物的能隙较窄,可以吸收可见光。其中CdS具有较好的活性,它的禁带宽度只有2.4ev,其带隙能较小,跟太阳光谱中的近紫外光段有较好的匹配性能,可以很好的利用自然光源,有很好的放氢活性。在CdS半导体催化剂表面上负载金属Pt和Pd,可以有效的降低光腐蚀,金属-半导体界面上形成Schottky能垒是一种有效的电子俘获阱, 金属的表面沉积有助于载流子的重新分布,能有效阻止半导体上的电子-空穴再结合,有利于光催化分解水反应的进行,且通常掺杂离子的浓度不高。因此用负载金属的CdS半导体光催化剂光分解水制氢产量高。 在CdS半导体光催化剂光分解水所产生的氢气通入氢氧燃料电池,产生的电流使得小风扇转动。将光催化制氢和氢氧燃料电池这两者完美的结合成原型机,对解决目前能源短缺问题具有重大的意义。 氢氧燃料电池早有报道,现在所用的氢燃料主要基于以下几种制氢方法【4】:(1)矿物燃料制氢,但是,从可持续发展战略来看,该法用矿物燃料换取氢燃料,并非长远之计。(2)微生物制氢,但是在国内该项技术较为薄弱,而且培养细菌试验条件要求高。(3)电解水制氢,但是用电分解的方法把氢提取出来,消耗的电能高于所获得的能量,反而得不偿失。 进入21 世纪 ,人类面临着能源和环境两个非常严峻的问题。一方面 ,据专家预测以目前的能源消耗速度 ,即使是地球储量较丰富的煤炭资源在未来 200 年内也将消耗殆尽 。另一方面 ,化石资源的燃烧所释放的 CO2 、SO2 等有害气体又带来了 “温室效应”、酸雨等诸多环境污染问题。因此 ,为了实现人类的可持续发展 ,开发清洁的可再生能源已迫在眉睫。在各种潜在待开发能源中,氢能是一种清洁、高效、安全、可持续的二次能源。但是 ,目前氢能的生产还主要是依靠煤、天然气的重整来获得,这必然会加剧不可再生能源的消耗并且带来环境污染问题。 太阳能是一种取之不尽,用之不竭的能源。地球上丰富的氢能蕴涵于水中。基于半导体光催化剂和太阳能的光催化分解水制氢的方法是最经济、清洁和实用的方法,代表着国际制氢技术的前沿。太阳光光谱中紫外光占5%,可见光占43%,在可见光条件下高效、稳定的光分解水产氢是实现太阳能光催化分解水制氢技术实用化的关键。研制具有高可见光活性和光稳定性的半导体光催化剂是研究的核心与难点。 氢气作为能源的应用有多种方式。但氢能通过燃料电池技术可高效转化为电能,比利用热机转化效率更高,可方便地作为各种动力源使用,这是未来氢能利用的最佳方式。目前在国际上光催化制氢和氢氧燃料电池两方面都在研究,都还没有将两者结合起来的原型机的报道。
作品专业信息
设计、发明的目的和基本思路、创新点、技术关键和主要技术指标
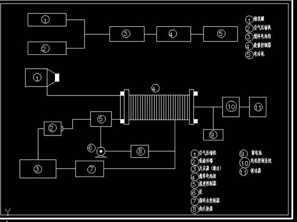
- 作品设计、发明的目的是集成创制一个以太阳能为能源以水作为“燃料”的新概念动力装置,为解决能源及环境污染问题提供新视野。 作品设计、发明的基本思路是通过设计一个高效纳米光催化水分解产氢装置,并将其与氢氧燃料电池装置耦合起来构建一个新型能源动力系统,实现太阳能—电能—机械能的高效转换。 作品的创新点在于新能源动力原型装置的集成构思。筛选一种能在可见光照射下光催化分解水产生氢气的纳米催化剂;选择一个中间装置将产生的氢气源源不断地供给氢氧燃料电池,组装出一个由水光分解装置、氢氧燃料电池装置和驱动负荷装置(电扇或电灯)三者耦合在一起的、以水作“燃料”的新型太阳能动力装置原型。 作品的技术关键在两方面:(1)高效光催化剂的筛选及制备。在众多催化剂中最终选用Pt或Pd担载的CdS催化剂,其催化水分解产氢速率可满足电扇负荷装置输出额定功率需要;(2)工艺集成及装置的优化设计和组配。 作品的主要技术指标:(1)构建出了一个完整的水分解/燃料电池/负荷演示装置,用太阳光或人工可见光光源和水驱动负荷运转;(2)机械输出功率达到0.012w/s;(3)光能—机械能总转换效率>5%。
科学性、先进性
- 氢气是具有高燃烧值、高效率和清洁的可再生能源。目前氢气的来源:(1)矿物燃料制氢,该法用矿物燃料换取氢燃料,并非长远之计。(2)微生物制氢,国内该项技术较薄弱,培养细菌试验条件要求高。(3)电解水制氢,用电分解的方法把氢提取出来,消耗的电能高于获得的能量。 太阳能的光催化分解水制氢是最经济、清洁和实用的方法,代表着国际制氢技术的前沿。目前在国际上还没有光催化制氢和氢氧燃料电池两方面结合起来的原型机报道。本作品将太阳光催化制氢与燃料电池技术结合起来,设计、构思和集成出以水作原料以太阳光为驱动的发电装置驱动负荷运转,展现光催化技术实现太阳能到电能转化的优越性。本作品与太阳能敏化电池等技术相比,在应用的规模化效应和产品的稳定性具有更为突出的优势。构建的原型装置可以展现出光催化技术应用在汽车工业等民用领域。作为新能源概念系统,显示出未来光催化技术和催化技术解决能源和环境问题发展前景。
获奖情况及鉴定结果
- 2011年四月获校“挑战杯”大学生课外学术科技作品竞赛一等奖 2011年六月获省“挑战杯”大学生课外学术科技作品竞赛三等奖
作品所处阶段
- 实验室阶段
技术转让方式
- 暂无
作品可展示的形式
- 图片 ,录像 ,小型模型的现场演示
使用说明,技术特点和优势,适应范围,推广前景的技术性说明,市场分析,经济效益预测
- 作品使用说明:在无氧条件和太阳光照射下, Pt/CdS催化剂先将水高效、稳定的光分解成氢气,再通过燃料电池,使氢气转变成电能和水,从而实现水—氢气—水的循环利用和太阳能—电能的转换。产生的电能可储存,也可直接用于驱动负荷运转。该工艺过程不仅可开发出新能源,而且节能、环保、零排放。 作品的技术特点和优势:光催化分解水制氢气可以使用于氢氧燃料电池,氢气和氧气源源不断地送入燃料电池,释放出能量,于是电池内就产生了持续电流。燃料电池是把燃料的化学能转变为直流电能的无污染的动力装置,进而电能转变为机械能,提供动力。 作品的应用前景及市场分析:燃料电池与电动机结合而形成的新概念动力机可能主宰未来汽车的发展,且在电子装置方面的应用也有较大的研发价值。氢能可应用于航天、发电站、电动汽车等。随着制氢技术的发展和化石能源的缺少,氢能利用会不断普及。光分解水制氢将是未来氢工业的核心技术,具有很高的社会效益和经济效益。
同类课题研究水平概述
- 1972年,日本学者Fujishima和Honda,对光照TiO2电极导致水分解产生氢的发现,揭示了太阳能制氢的可能性。目前,利用太阳能光解制氢的研究主要集中于:(1)光电化学法,即通过光阳极吸收太阳能并将光能转化为电能。光阳极通常为光半导体材料,受光激发可以产生电子-空穴对,阳极和阴极组成光化学电池,在电解质存在下光阳极吸光后在半导体上产生的电子通过外电路流向阴极,水中的质子从阴极上接受电子产生氢气。这种方法可以分别在两极得到氢和氧,而不是混合气。(2)半导体光催化法。将TiO2或CdS等半导体光催化剂微粒直接悬浮在水中进行光解水反应。半导体光催化在原理上类似于光电化学池,细小的半导体微粒可以被看作是一个个微电极,只不过阴极和阳极没有被隔开,当光照射到水中的催化剂时,便激发光化学反应,将水分解为氢和氧。 近十年来,虽然光催化研究取得长足进展,但目前仍然存在光催化反应机理的研究不够深入;不能有效利用可见光等问题。目前的大多数光催化剂都面临同样的问题:(1)能隙太宽,只能响应不足太阳能辐射5%的紫外光区,相对太阳能中47%的可见光利用率很低;(2)价带和导带的电位很难同时满足完全分解水的电位,需要牺牲剂才能实现H2的产生;(3)光生电子空穴易复合,量子效率很低。 通过掺杂的方法,可以拓展光催化剂对光的响应,但催化效果并不理想。为了进一步提高光解水催化剂的光催化活性,均需要在其表面负载Pt、Ru等,并且需要在反应体系中添加Na2S、Na2SO3或CH3OH作为牺牲剂。目前已经研究并开发了一系列能响应紫外光的催化剂,如:TiO2、ZnS、ZrO2、Sr2Nb2O7、SrTa2O6等。但在太阳光谱中,紫外光只占光总能量的4%,而波长λ>420 nm 的可见光占43%,因此扩大光催化剂的吸收波长范围,使之响应可见光,是提高产氢速率的根本途径,同时也是近几年研究的热点。近一二十年来,光催化材料的研究经历了从简单氧化物、复合氧化物、层状化合物到能响应可见光的光催化材料。对二元半导体复合进行了许多研究,如TiO2/CdS等。 近年来,美国等发达国家高度重视氢能开发和利用。我国政府重视发展氢能。目前,在氢能及燃料电池领域,已经形成了从基础研究、应用研究到示范演示的全方位格局。





